The ‘Festival of graduate research’ (28 March 2017) Fiars Albaaj – Final year PhD student at the School of Dentistry 31/03/2017 This Festival was held in the Birmingham medical school In the Wolfson common room and […]
The ‘Festival of graduate research’ (28 March 2017) Fiars Albaaj – Final year PhD student at the School of Dentistry 31/03/2017 This Festival was held in the Birmingham medical school In the Wolfson common room and […]
The School of Dentistry was pleased to host the doctoral students from the Sci-Phy (Physical Sciences for Health) doctoral training centre which is funded by the EPSRC (Engineering and Physical Sciences Research Council). This programme […]
Final year dental students showcased there operative skills in the Birmingham heat of the national undergraduate dental skills competition sponsored by Dentsply Sirona this week. There was an excellent turnout with nearly half of the […]
Recently I went to the opening of the Westmere Postgraduate facility and was very impressed with what the University have done there. The Westmere house is beautifully restored and provides a hub for PG students […]
Nina Vyas came second in a University-wide contest submitting a video into a Storytelling Researcher video competition. Her entry was based around her research on Cavitation bubbles produced by ultrasonic scalers. Her video was judged by the […]
A degree day in December has lots of charm about it. The weather may be more unpredictable, but there is something warm and homely about a degree ceremony in the Great Hall during Winter. The […]
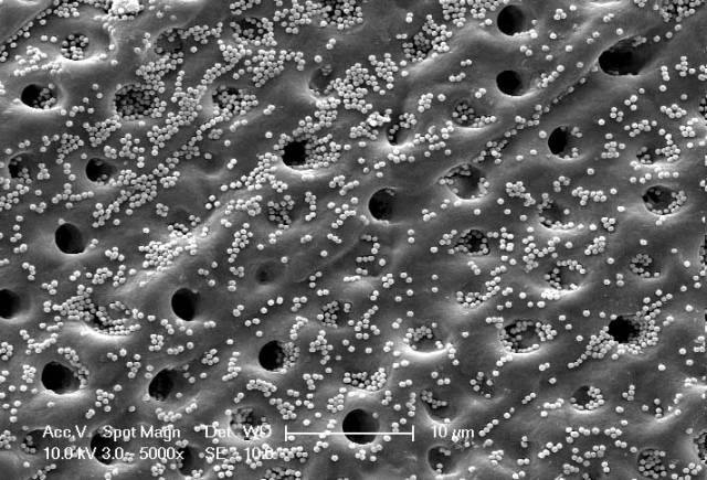
Interdisciplinary research between Dentistry and Chemistry has shown how the development of coated silica nanoparticles could be used in restorative treatment of sensitive teeth and preventing the onset of tooth decay. The work was undertaken […]
Cleo White was successful in achieving a Westmere Scholarship. The school asked Cleo to let us know what the Scholarship meant, why she applied and what her research is about. The Westmere Scholarship: The Westmere Scholarship […]
Rachel Flight won the poster prize at the Medical Image Understanding and Analysis Conference (MIUA) 2015 which took place at the University of Lincoln in Lincolnshire in July 2015. Her conference paper and corresponding poster […]
Nina Vyas was runner up in the 2015 University of Birmingham “3 minute PhD thesis” competition. This is a worldwide competition and has strict rules associated with it. The task is to present your research work in […]